×

科力屋PLC-Ai轨迹感应器:毫米波雷达完美融入面板,PLC加持满足后装市场

admin admin 发表于2025-11-26 18:31:52 浏览60 评论0

抢沙发发表评论

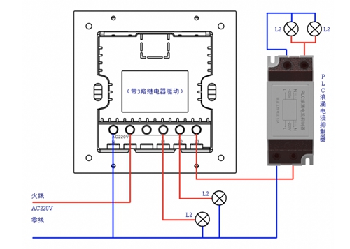
毫米波不仅仅只是独立式传感器,目前,已经开始流行植入到智能锁、智能面板、智能灯具、智能旋钮、智能床等各个产品品类中,可以实现占位等多种复合性的功能。 针对这类非常独特的产品,科力屋将面板与毫米波传感器结合,统一命名为PLC-Ai轨迹感应器,我们拿到了其中的两款设备,Ai超感语音智慧屏以及Ai超感6键语音面板,还有非语音的版本。 注意Ai的书写规范,是科力屋在AI技术加持下的注册分辨标识。注意PLC-Ai轨迹感应器的命名前,还有PLC,这说明都是基于PLC协议实现的传感器面板。 目前我们评测过的所有智能面板终端产品中,在后端调试以及检测方面,PLC-Ai轨迹感应器是最专业的毫米波雷达传感面板,可以说科力屋运用现有技术,将毫米波传感在智能面板结合方面做到极致。 后装需求 这款产品最重要的是后装的意义,因为PLC总线和毫米波雷达融入到智能面板后,有着普通智能面板或者独立式传感器没有的特色,可以满足用户许多普适性的痛点需求。 我们知道大部分的毫米波传感器都是顶吸的产品形态,这种产品需要吊顶的需求,大部分都是适用于前装场景。面对广阔的后装市场,不需要吊顶的环境,仅仅原位替换开关,通过侧装墙装的方式,非常容易进行后装改造。 好安装,好布线,好融入到系统中,是科力屋打造这类面板产品的最大优势之一。PLC对家装来说,和传统面板安装没有什么区别,这是PLC应用在后装市场的魔力。 拆 箱 左边是Ai超感语音智慧屏,右边是Ai超感6键语音面板 和我们曾经评测的超级智控面板类似,非常简约的外包装,两款面板主要是有屏和无屏的区别。 Ai超感语音智慧屏外观 键屏式的面板,无论是操控还是显示,具有非常强的优势,和以前的外观相比,只有多了传感的标识,其他都是保持一致。 Ai超感6键语音面板外观 86无屏式的面板设计也非常常用,和原有的场景开关相比,也是多了传感器占位感应的标识,场景可以自定义,价格也更加便宜,可以实现原位的替换。 PLC二合一主控器 这两个面板,都是使用的是非常小巧的PLC二合一主控器。因为采用分布式应用,面板都可以承载分布式运算,所以主控器的体积非常小巧。科力屋为了保障系统的绝对稳定性,PLC指令发送次数的设置,默认为6次,也可以自行进行修改。 体验安装 面板的接线非常的简单,和零火线面板接入一样,可以最大支持3路照明。 当然除了毫米波以外,还有小夜灯的植入也非常温馨,解决了后装小夜灯的布局需求。 技术原理 毫米波技术方面,PLC-Ai轨迹感应器采用的都是2发2收天线,可以实现三个活动目标的二维成像。我们知道,很多毫米波传感器只能做到单目标检测或者双目标检测。 根据被探测物体的坐标位置进行逻辑判断,从而实现自己的智能需求,我可以看到从x和y轴角度来看,120°扇形监测范围面积内可以监测,其实这个120°相当于一个切分球面体,不仅横向120°监测,还包含上下120°监测,范围内目标的距离、角度以及速度都可以采集到。 采集到信息后,主要可以与许多智能家居设备进行联动,最多支持提供48个个性化的自定义的逻辑场景。 分区内有人活动/静止才计时,默认有人静止也计时,人在静止状态下的感应能力,是毫米波的重要特征之一,也是场景能够更加丰富的特色。 可以划分8个分区,包括一个总分区+5个自定义的感应分区+2个屏蔽感应的分区。一般我们体验都是用手机来画框的,第一次体验了用鼠标绘制各区域的大小和形状,分区还能复制和贴,做到快速创建。 分区的位置属性,可以定义为:识别门、识别床、非屏蔽、屏蔽区。感应区可以画成扇形和矩形两种形状形状的区域。屏蔽比较好理解,就是该分区区域不感应,比如风扇、窗帘、镜子的位置等容易造成毫米波误识别的区域。 非屏蔽,是指区域内所有坐标均可用,一般用于某个特定区域,实现某种特定功能,如餐桌区域有人存在20秒则开餐厅主灯等。针对门的识别,进出门可以设置微信提醒,任何封闭空间在严格意义上,都有门。如果设定了一个床的区域,则只要不在该区域并且进入了睡眠模式,那么面板的夜灯会自动亮起。 PLC-Ai轨迹感应器编址及参数设置 PLC-Ai轨迹感应器可以通过电脑,实现调试软件编址及参数设置,也可以通过手机软件进行调试,这是科力屋的重大更新之一,因为以前只支持PC调试。 PC端调试 注意在调试界面,科力屋几乎考虑到毫米波面板可能会遇到的各种情况,很多功能调试非常的细节,与你使用的很多毫米波传感器都不相同。科力屋PLC-Ai轨迹感应器调试功能一定要细细理解,不能认为一些功能毫无必要,这些功能,我们都进行了非常详细的解释。 首先要找到这个设备,然后有几个重要点需要关注,感应器多分区设置、逻辑事件设置、传感器监测信息等。 感应器多分区设置:进入多分区设置界面。逻辑事件设置:进入感应器逻辑事件设置界面,感应器最多可编写48条自定义界面。传感器监测信息:查看感应器实时监测信息。 感应器定位和编址:单击“人工操作 自动定位”按钮,然后去按下目标感应面板任一按键,调试软件将在感应器列表中自动定位该感应器,然后进行感应的编址。 当然这个面板的使用环境,你也要注意,它的角色是作为独立应用还是辅助应用。独立应用时,编址为移动感应器;如果是作为辅助感应器则编址为辅助感应器,节考虑非常到位。 感应空间内“无人”识别延时时间:默认10秒,你可以设定其他延时时间,这是每个毫米波传感器的常态设置。 无人判断失误时最长允许延时时长:这个可能比较难以理解,也是为了防止误报,一个空间如果设置了门,如目标坐标不是在门边消失,则认为空间内还有人,人是不可能没有从门边离开,也许他钻到了桌子下面,但是也有可能是误判,延时时间可以自由设定。 撤防/布防状态下有人探测灵敏度:数值越小越灵敏。撤防状态下灵敏度高保证可以快速的感应到目标的动作以及状态,布防状态下灵敏度其实可以适当降低可以减少误报。 自动关本房间灯后暂时屏蔽感应时长:灯光关闭的时候可能会有一个干扰信号,比如面板自带的继电器动作,造成信号扰动引发感应器的误动作,因此可以暂时屏蔽感应N秒钟,默认屏蔽感应3秒。 离开时手动关灯后暂时屏蔽感应时长:人走关灯是人们的传统美德,很多用户离开房间的时候习惯手动关灯,用户手动关灯,然后刚刚离开房间10秒以内,可能有事又重新进入房间,此时房间的灯是不会自动打开的,因为系统还处在自动关灯的延时时间逻辑中。 设置“离开时手动关灯后暂时屏蔽感应时长”参数的目的就是弥补这个缺陷,如果你设置为10秒,则手动关灯后(默认为房间灯全关)10秒后,再进入房间允许灯光自动打开。 很多毫米波雷达传感器都与照度传感器结合,实现更加丰富的灯光管控,这款面板自带小夜灯,白天感应开灯的环境亮度值:白天时间段,感应有人时,如环境亮度超过设定值,则不会自动打开照明,只有环境亮度低于设定值的时候才会自动把照明打开。同时,还能设定感应有人后面板夜灯的亮度。 禁用LED指示灯:如果认为状态指示灯造成光污染,可以禁用。 进入某区域灵敏度设置,只有进入该区域2秒才识别真的进入,不是闪过一个人影,就算进入。 这个光照感应可以作为系统的传感信号吗?小夜灯的信号可以传到系统中吗?这个面板的感感应人信号,可以作为报警安防信号吗?答案都是可以的。一句话总结,可以作为照度传感器、运动传感器、静止探测传感器,可以作为布防场景、照明等联动场景使用。 还有一个值得关注的细节,科力屋为了防止三个轨迹可能不准,将跳来跳去的轨迹存储起来,通过二次算法,实现更加准确的判定,保障屋内有人的准确判定。 APP端调试 楼层以及每个房间都可以添加,所有设备清单可以全部统计,也能快速获得报价,设备也可以离线编辑好,然后实现快速的安装,实际项目中, 设备安装,就已经调试好,只需要局部修改即可, 减少调试的时间周期。 数智评测室观点 很多人以前不敢安装毫米波传感器,因为距离不好把控,穿墙穿地,反弹,风扇镜子都有一定的干扰,还有很多逻辑的设定细节无法掌控,让毫米波雷达传感器在实际项目落地中,经常有一些使用体验BUG。 科力屋不仅将毫米波+照明小夜灯,融入智能面板,让整个空间更简洁美观,后装安装也更加简单,而且可以满足很多的场景功能。实现餐厅、客厅、玄关、卧室、浴室等各个空间,快速安装、快速调试实现落地,解决以前的总线以及毫米波安装,局改以及后装的落地痛点。 最后,想把一个传感器调整好不容易,在毫米波能力的调试方面,科力屋做到的细节面面俱到,考虑到全屋智能的场景特性是其他产品无法做到的。因为整个算法都是科力屋自研,并不是公版模组的简单开发,才能让这款产品达到了其他产品无法达到的高度以及能力。